通过前几期的技术讲座,我们了解了DIPIPM™基本结构、内置功能、如何选型、如何功耗仿真等。从本节开始介绍DIPIPM™的典型应用接口电路以及PCB设计。从应用的角度来看,DIPIPM™的优势在于拥有更少的外围器件、设计上手快;DIPIPM™从600V/2A~75A到1200V/5A~75A在内部基本结构和外围接口电路的设计上都是基本一致的,只要使用过其中任意一款DIPIPM™,就可以非常容易拓展到不同功率等级的产品线,系列扩展简单、节省研发资源。
3.3.1 DIPIPM™典型应用电路
工程师们在为自己的功率变换装置选定了主要功率器件DIPIPM™之后,下一步要进行的工作是进行DIPIPM™相关电路设计。DIPIPM™电路设计是功率变换装置的基础,既决定了功率部分的系统性能,同时也是整个功率变换装置可靠性的基础。对于DIPIPM™来说,由于其内置了用于驱动的HVIC、LVIC和短路保护等诸多功能,因而其电路设计相较采用分立器件的功率变换装置会更简单,设计周期更短,随着功率变换装置对可靠性、成本要求越来越高,如何设计出简单可靠的DIPIPM™相关电路,仍然是需要认真思考的课题。
下面我们以DIPIPM™应用于变频空调为例,从整体到部分来介绍DIPIPM™的典型应用电路。
对于变频空调来说,DIPIPM™可以应用于空调室外机压缩机驱动和风机驱动,也可应用于室内机风机驱动,其在变频空调的应用见下图1所示。

图1 空调系统示意图
对于DIPIPM™电路来说,不管是驱动压缩机还是驱动风机,其电路基本类似,但由于软件采集电流的方式不同,可能存在设计DIPIPM™短路保护时存在单电阻采样或两电阻采样的区别。变频空调压缩机驱动是整个变频空调功率部分的核心,通常包括整流电路、PFC(功率因数校正)电路 、逆变电路三个主要部分,其系统框图如下图2所示。

图2 空调压缩机驱动应用系统框图
三个部分一般会设计在同一PCB板上,三部分在工作时可能存在相互干扰的问题,DIPIPM™作为逆变部分的核心功率器件,其电路设计也需要同时兼顾整流电路、PFC(功率因数校正)电路部分,这直接影响到整个压缩机驱动系统的稳定性和EMC(电磁兼容)性能。
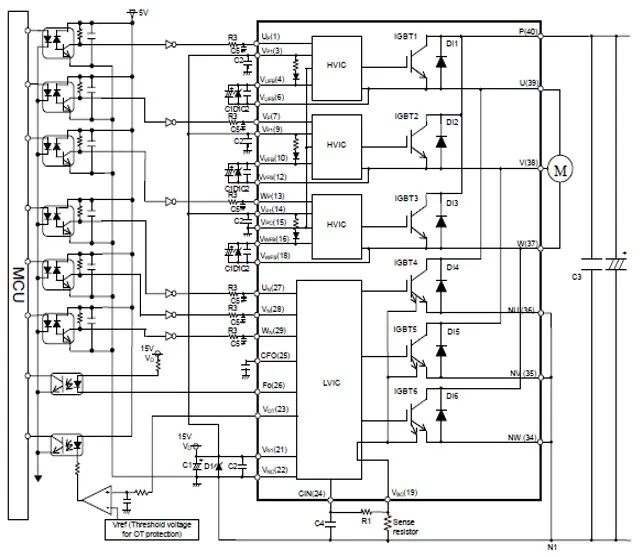
下图3是以SLIMDIP™为例的DIPIPM™典型驱动电路。

通常对于诸如变频空调等家电应用来说电路中的MCU(微处理器)控制信号输出端口与DIPIPM™的PWM(脉冲宽度调制)信号输入端口直接连接。这极大简化了驱动电路设计,但对于工业应用或对可靠性要求更高的商用空调应用,也可以采用光耦对MCU和DIPIPM™进行驱动信号隔离,以提高系统的抗噪声能力。采用光耦隔离的DIPIPM™典型驱动电路如下图4所示。

DIPIPM™接口电路按功能区分主要分为以下几个部分:15V电源、自举电路、控制逻辑输入信号(输入PWM信号)、VOT(温度输出)功能、电流检测和短路保护电路。我们将在下面的章节中对这几部分进行详细介绍。
3.3.2
15V电源、欠压保护电路以及自举电路
1
DIPIPM™对15V电源的总体要求
电源是DIPIPM™工作的基础,DIPIPM™对15V电源指标要求如下:
-
控制电源电压的推荐范围:13.5V~16.5V
-
自举电源电压的推荐范围:13V~18.5V
-
对纹波噪音的要求:dv/dt≤±1V/μs,Vripple≤ 2Vp-p
为了满足以上15V电源指标的要求,建议采用下图5所示的15V电源接口电路和图6所示的上桥臂自举电源电路。

图5 DIPIPM™15V电源接口电路

15V电源过低会导致DIPIPM™工作时损耗增大,因而DIPIPM™内部设计了欠压保护功能,但是故障信号(Fo)仅对N侧的欠压保护才有输出,对于P侧的欠压,会关闭对应的IGBT输出,但不会输出故障信号(Fo)。另外欠压保护电路内置了一个噪声滤波器(典型值10μs)以防止瞬间欠压导致的误触发。因此在发生欠压后的最初10μs内控制信号依然有效。下表1给出了DIPIPM™的运行状态和控制电源之间的关系。良好的15V电源设计必须保证在任何工作条件下DIPIPM™的15V处于推荐的工作范围内。
表1 DIPIPM™的运行状态 vs. 控制电源电压

自举电容器电容值的估算方法和选型
对DIPIPM™而言,其上桥臂不需要单独供电的独立15V电源,而是采用了自举方式供电,自举供电方式下,需要估算电路中自举电容的容值,通常推荐VDB(上桥臂自举电源电压)的纹波电压范围在2Vp-p以内。在选取自举电容值时,要综合考虑到使用条件、电容耐受性、电容的温度特性、直流偏压和寿命等相关因素。运行过程中,自举电容电压的最小值应高于上桥控制电源电压VDB的最小推荐值13V。一般条件下,可以按照ΔVDB ≦1V计算的电容典型值的2-3倍选取电容,使纹波电压更接近理想值。
计算公式如下:
自举电容: C= IDB×T1/ΔVDB
(T1: 上桥IGBT最大导通时间)
注意:SPWM/DC120度/DC180度等不同控制方式的自举电容的大小不尽相同。自举电容主要采用电解电容器。近年来,大容量的陶瓷电容器也开始被采用。但应用于直流电压时,电解电容器的直流偏压特性与陶瓷电容器大不相同(特别是大容值产品)。在应用于直流 15V 电压时,有些陶瓷电容器的容量会在额定值的基础上下降 30%。电解电容器和陶瓷电容器的主要特点对比如下表2所列。

表2 电解电容器和陶瓷电容器的性能对比
电解电容器的直流偏压特性对电容量的影响不大,但应注意由于重复充放电引起的纹波电流和外界温度对电容寿命的影响。以上数据均来自网站公开数据,要了解更详细的数据信息可以垂询电容器制造商。
3
自举充电原理及方式
自举电路由一个自举二极管、一个自举电容和一个限流电阻组成。如图7红色标记所示,其使用自举电容作为驱动P侧IGBT(或MOSFET)的控制电源。自举电容提供P侧器件开通时栅极充电所需电荷,并提供P侧驱动IC中逻辑电路消耗的电流。由于采用自举电容代替隔离电源,它的供电能力是受到限制的。所以这个利用自举电路实现的浮动电源只适用于像DIPIPM™这样对电源电流要求较小的器件。
逆变过程中当输出端(U/V/W)电位被拉低到GND附近时,N侧15V的控制电源会通过限流电阻和自举二极管对自举电容充电。

图7 自举电路电路图和初始化充电路径

图8 单脉冲初始充电时序
自举电容充电有两种方式,一种是通过单个长脉冲实现,另一种是通过多个短脉冲实现。如下图9所示。多脉冲方式适用于有控制电源容量、自举二极管正向电流尖峰、限流电阻额定功率等条件限制的情况下。
'
图9 自举充电时序
初始化充电需要持续到自举电容电压超过推荐的最小电源电压13V。(考虑到从充电结束到逆变器工作之间的电压下降,建议初始化充电的电压值越高越好。)
自举电容充电后,系统运作前,建议在P侧输入端输入一个开通脉冲,以复位内部IC。脉宽不能小于允许的最小输入脉宽PWIN(on)。(例如SLIMDIP™的最小输入脉宽不能小于0.7μs,具体请参考相应的规格书。)
4
15V电源和自举电路齐纳二极管的选择

主要术语说明
1:DIPIPM→双列直插式智能功率模块(Dual-in-line Intelligent Power Module);
2:DIPIPM™、SLIMDIP™及DIPIPM+™均为三菱电机株式会社注册商标。
主要参考文献
[1] Mitsubishi electric, “SLIMDIP Series Application note”
[2] Mitsubishi electric, “Super mini DIPIPM Ver.6 Series Application note”
[3] Mitsubishi electric, “Mini DIPIPM with BSD Series Application note”
[4] Mitsubishi electric, “1200V Large DIPIPM Ver.6 Series Application note”
















