DIPIPM™应用电路
3.3.3
控制逻辑输入信号(PWM)
输入PWM信号逻辑电平为高有效(3~15V TTL/MOS)。内置HVIC具有电平转移功能(level shift function),使得控制信号可直接来自于MCU/DSP(无需光隔)。
由于控制信号端子内置了3.3kΩ的下拉电阻,所以在模块外部无需再外加下拉电阻,但Fo信号线需要通过一10kΩ电阻上拉至5V。
DIPIPM™对于输入信号的最小脉宽有限制。如果输入信号脉宽(开通和关断)小于其限制值,DIPIPM™可能不响应或不能正常工作。对于其具体限制值,请参考相应的规格书。(不同电流额定值的产品,最小脉宽可能是不同的。)

图11 典型DIPIPM™内部输入电路(超小型为例)
控制输入端的RC滤波(图11中虚线部分)容量的选择取决于应用系统的PWM控制方式和PCB的引线阻抗。控制输入端子在模块内部接有3.3kΩ(最小值)的下拉电阻,因此,当外接滤波电阻时, 请注意在输入端子上的控制信号压降(它应满足控制电压阈值的要求,见表3和表4)。应确保控制信号输入电压阈值:
开通信号电平>Vth(on)Max
关断信号电平
表3 DIPIPM™控制阈值电压(SLIMDIP™为例)

表4 DIPIPM™控制阈值电压(第6代大型DIPIPM™为例)

3.3.4
VOT接口电路
VOT功能是通过LVIC内置的温度传感器来检测LVIC上的温度,然后再将传感器信号输出至外部端子,如下图12所示IGBT和续流二极管的热量通过封装树脂和外部散热器传导到LVIC,中间传输需要时间,因此LVIC上的温度不能及时有效地反映出功率芯片温度的快速上升(例如:电机堵转、短路)。建议在诸如因散热系统受损或持续过载运行而引起的较慢温度升高时使用此功能进行保护,也可以将VOT输出的温度信号作为控制信号,在温度超过一定限值时,对压缩机进行限降频等保护时采用。

图12 VOT温度采样点及热传递路线
下图13是VOT接口电路图,建议加入5.1kΩ的下拉电阻以获得线性的输出特性曲线。当下拉电阻加在VOT和VNC(控制地)之间时,流过它的电流(VOT输出电压/下拉电阻值)将叠加在LVIC的电路电流上。如果将VOT仅用于检测高于室温的温度时,不需要再加入下拉电阻。

图13 使用5V的MCU VOT输出接口电路
在使用3.3V MCU等低电压控制器的情况下,如果需要将VOT的保护动作值设置在MCU控制电源电压值(如3.3V)或更高时,可以采用电阻分压电路将VOT输出电压进行分压DVOT=VOT*R2/(R1+R2),其中R1+R2≈5.1kΩ,然后再输入至控制器的A/D转换器(见图14)。对于是否还需要钳位二极管,考虑到被分压后的输出电压通常不会再超过控制器的电源电压,一般不必要再加入钳位二极管,但具体要通过测试分压以后的电压值再得出结论。

图14 采用3.3V的MCU VOT输出接口电路

图15 VOT输出电压与LVIC温度关系曲线(以超小型为例)
VOT电压与LVIC温度之间的关系曲线如上图15所示,成线性关系。功率芯片产生的热量会通过散热器和模块封装传导到LVIC,那么LVIC温度Tic(VOT输出)、壳温Tc(规格书上定义的芯片下方温度)、结温Tj之间的关系则依赖于系统的冷却条件、散热器、控制方法等。散热条件不同,关系曲线也会有所变化。所以当我们设定保护阈值温度时,需要根据具体的系统测试得出上述关系曲线。在设定保护阈值温度Tic时,重要的是要确保DIPIPM™外壳温度和结温满足Tc≤100℃/125℃和Tj≤150℃/175℃的条件。
3.3.5
短路保护电路
DIPIPM™采用外接的旁路电阻来检测电流,如图16所示。通过比较CIN端子上的来自于旁路电阻上的反馈电压和SC动作参考电压,控制IC内部的保护电路能够捕捉到短路电流,并自动启动保护功能。SC动作电压阈值Vsc(ref)为0.48V(典型值),应据此来选择适合的旁路电阻阻值。

图16 1旁路电阻时的接口电路举例

图17 旁路电阻电感
1
旁路电阻的计算和短路保护电路
旁路电阻RShunt=VSC(ref)/ISC,其中VSC(ref)为短路动作电压参考值0.48V±5%(CIN管脚的触发电平,具体请参考相关产品规格书),通常情况下短路保护动作电流的最大值ISC(max)应小于IGBT额定电流的1.7倍。例如:以PSS15S92*6-AG为例,ISC(max)应设为15x1.7=25.5A。
为了避免DIPIPM™因过高浪涌电压而损坏,要求NU/NV/NW管脚到功率地之间的电感(包括旁路电阻的电感在内)在10nH以内,上图17是采用引线的陶瓷电阻和贴片电阻寄生电感的对比,为减小电感建议旁路电阻使用贴片功率电阻。
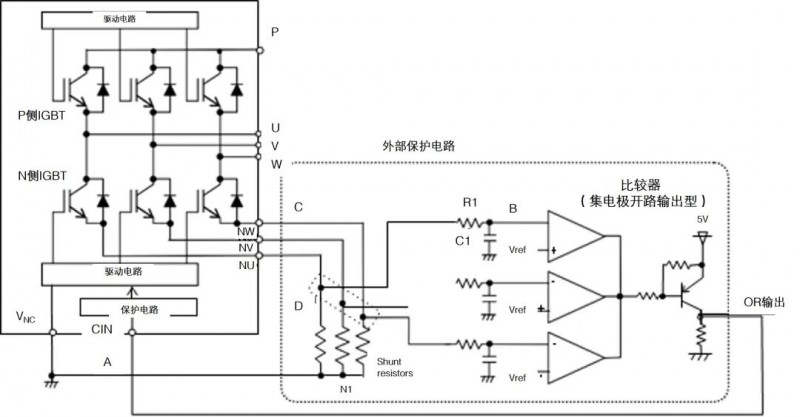
由于逆变部分控制策略及DIPIPM™种类不同,其采取的短路保护电路也不尽相同。图18是采用3旁路电阻的短路保护接口电路例,其典型特点是采用了3个旁路电阻及3个比较器;图19是采用了VSC功能作为短路保护信号的短路保护电路案例,该电路适用于配置了VSC功能的DIPIPM™,如大型DIPIPM™、大型DIPIPM+™等。图20是采用了运算放大电路的短路保护检测电路。

图18 3-Shunt短路保护接口电路例

图19 采用VSC功能的短路保护电路(第6代大型为例)

图20 采用放大器电流检测电路
2
DIPIPM™外部短路检测延时
不管采用何种短路检测电路,必须要保证RShunt-Cin之间的电路延时为1.5~2μs。
为什么外部短路检测延时时间t1=1.5~2μs呢?是为了防止噪声干扰引起的短路保护误动作,需要在短路检测电路中加入滤波器,应根据噪声干扰的持续时间和DIPIPM™的短路安全工作区(SCSOA)来设置DIPIPM™外部短路检测延时时间。因此,从发生短路动作电流到IGBT栅极关断之间总的时间延迟为:tTOTAL=t1+t2(DIPIPM™外部短路检测延时时间t1=1.5~2μs,t2=控制IC传输延迟时间),下表5为典型DIPIPM™内部IC传输延时时间(以第6代超小型为例)。
表5 典型DIPIPM™内部时间延迟(第6代超小型为例)


图21 PSS15S92*6-AG安全工作区曲线(SCSOA)
以PSS15S92*6-AG举例来说,仅当IGBT导通时间小于2.7μs时,它能够可靠关断大约5.8倍额定电流值的短路电流,如图21所示。由于短路安全工作区(SCSOA)会随控制电源电压(VD)、直流母线电压(VCC)等的不同而变化,因此,设定RC滤波器的时间常数时要考虑一定的裕量,tTOTAL=t1+t2= 2μs+0.5μs=2.5μs<2.7μs的情况下,DIPIPM™在发生短路时,可以可靠保护。
短路保护时只有下桥IGBT自动关断,当Fo结束后内部短路保护电路被复位。关于故障信号Fo的脉宽:对于SLIMDIP™和超小型DIPIPM™来说是固定的tFO=20μs(Min),对于小型DIPIPM™和大型DIPIPM™等来说是由外部的CFO来设定的(如tFO=2.4ms@CFO=22nF),具体请参考相关应用手册。DIPIPM™只能在非重复短路情况下实现保护,这要求系统MCU在检测到故障信号后切断所有PWM信号。
本讲总结
本节主要介绍了DIPIPM™的典型应用电路。按照功能划分主要为以下几个部分:15V电源、自举电路、控制逻辑输入信号(输入PWM信号)、VOT(温度输出)功能、电流检测和短路保护电路等,良好的电路设计是DIPIPM™乃至整个功率变换装置可靠运行的基础。
主要术语说明
1:DIPIPM→双列直插式智能功率模块(Dual-in-line Intelligent Power Module);
2:DIPIPM™、SLIMDIP™及DIPIPM+™均为三菱电机株式会社注册商标。
主要参考文献
[1] Mitsubishi electric, “SLIMDIP Series Application note”
[2] Mitsubishi electric, “Super mini DIPIPM Ver.6 Series Application note”
[3] Mitsubishi electric, “Mini DIPIPM with BSD Series Application note”
[4] Mitsubishi electric, “1200V Large DIPIPM Ver.6 Series Application note”
















