模块化架构,按需扩展CAN采集能力
ZDL系列示波记录仪采用模块化设计,主机提供8个板卡插槽,用户可以根据实际测试需求,搭配不同类型的采集板卡来实现不同信号的采集(如图1所示)。
CAN报文的收发功能
搭配DQM-62151板卡后,ZDL示波记录仪既能接收CAN报文,也能对外发送报文。
打开任一CAN通道,在“控制设置”菜单中可设置收发器类型(CAN/CAN FD)、最大报文数、只听模式、终端电阻等参数。CAN FD模式下,还支持分别设置仲裁域和数据域的波特率与采样点(如图3所示)。
图3 CAN通道控制设置
需要发送报文时,进入“帧发送设置”菜单,可配置帧类型、帧ID、数据长度、数据内容、重复次数、发送次数、发送间隔等参数,配置完成后点击发送即可(如图4所示)。

图4 CAN通道帧发送设置
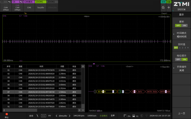
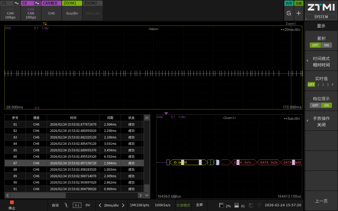
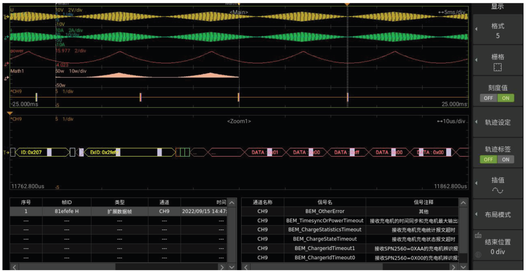
实际使用中,将一个通道设为发送、另一通道设为接收,即可验证报文收发功能。记录仪实时显示接收到的报文,数据列表中可查看详细信息,放大窗口下可观察报文细节(如图5所示)。

DBC实时解析
在CAN总线测试中,原始报文通常需要结合DBC文件解析为工程参数。ZDL记录仪支持DBC实时解析,通过板卡的“子通道”功能实现。
子通道是虚拟通道,用于关联DBC文件中的参数,每个CAN通道提供60个子通道。在设置界面中加载DBC文件(如图6所示),将目标参数关联到对应子通道(如图7所示)。

图6 DBC文件加载

图7 子通道与DBC文件关联
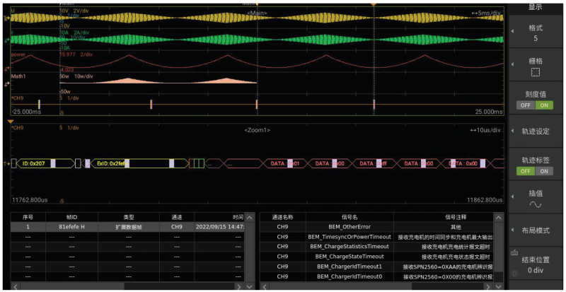
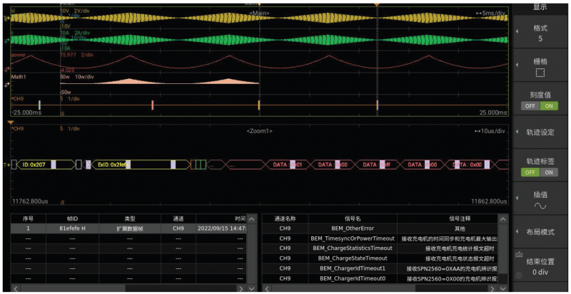
关联完成后,记录仪在接收报文的同时自动完成解析,并实时绘制各参数的趋势图(如图8所示)。

CAN报文与物理波形的同步分析
DQM-62151板卡可以完成报文的收发和解析,但无法采集CAN总线物理层的电气波形。做故障排查或信号质量评估时,工程师往往还需要观察CANH和CANL的实际波形。


结 语
什么场景适合用ZDL记录仪做CAN测试?
简单的报文收发和短时记录,CAN卡或报文记录仪即可胜任;CAN信号的波形分析和诊断,示波器或CAN分析仪也是常见选择。
但当需求变得更复杂,如长时间连续记录CAN报文、同步分析CAN物理波形、或在采集CAN信号的同时记录其他模拟和数字信号时,单一设备往往难以兼顾。ZDL系列示波记录仪将报文收发、DBC解析、波形采集和多类型信号同步记录集成在一台设备上,适合新能源汽车、轨道交通、工业控制等领域中综合性的CAN总线测试工作。

ZDS2024C互动活动中奖名单公布
感谢各位参与ZDS2024C示波器新品发布期间的文章留言互动和直播抽奖活动,奖品已安排寄出。现公布获奖名单如下,感谢大家的支持!

—— END ——
















