在3.3,3.4的讲座中,我们主要介绍了如何为DIPIPM™设计驱动电路及PCB控制板。DIPIPM™作为一种功率器件,需要与外围的电源电路、驱动保护电路、采样电路等一起相互配合才能完成相应的逆变功能。实际产品中承担这种逆变功能的是变频控制PCB板。变频控制PCB板被装配到了整机上,再与其他的结构部件及系统部件组合成整机。DIPIPM™的功能是否能够良好发挥与PCB及整机的设计是分不开的。图1是以变频空调为例的DIPIPM™由部件到产品的基本生产流程。

图1 DIPIPM™典型生产流程
好的产品在整个寿命周期内可以可靠工作并维持低故障率,为了达成这个高可靠性的目标,首先需要选择品质良好的零部件,在这个基础上,良好的PCB设计是整个变频电路控制系统能够可靠运行的基础。DIPIPM™作为零部件经历了电路设计、PCB板设计、PCB板制作等环节后,完成了由单体部件到整体部件的转变,DIPIPM™的逆变功能最终得以在PCB线路板上实现。PCB样板的完成意味着整个产品距离量产已经不远了。PCB样板及整机在正式量产之前需要经过一系列的测试与评价,才能正式投入大批量生产。测试与评价对于量产之后产品的可靠性至关重要,特别是对于诸如变频家电等大批量生产的产品来说,完善的测试与评价可以提前发现设计缺陷从而降低产品的市场失效率,以减少因为产品质量问题导致的损失。

DIPIPM™相关的测试评价按照生产流程可以分为DIPIPM™单体评价、DIPIPM™在变频控制PCB上的评价、整机评价。
其中DIPIPM™单体的评价主要是在DIPIPM™制造工厂进行,评价内容包含了从外观、产品结构、产品功能(动作时序、温度输出、保护功能等)、产品性能(电磁兼容EMC、温升、可靠性、寿命等)等方面。单体评价中外围电源及控制信号采用理想电源及信号发生装置,侧重于评价DIPIPM™本身;
DIPIPM™在变频控制PCB板上的评价则是在单体评价的基础上,需要对DIPIPM™在实际的控制电源及驱动信号的状态下对其功能、性能进行评价,侧重于了解DIPIPM™在实际PCB上与周边电路的兼容情况;
整机评价是对PCB控制器在整机带负荷状态下的评价,侧重于了解DIPIPM™在整机上的功能、性能,评价DIPIPM™在实际整机的环境下,适应环境变化及负载变化的能力。
DIPIPM™在开发设计、制造过程中,会进行详细的功能及性能评价,量产后其性能基本处于稳定状态,因此在应用过程中通常不再对DIPIPM™单体进行详尽的评价,本讲技术讲座不对DIPIPM™单体评价进行重点介绍,而侧重于介绍应用过程中的测试评价:DIPIPM™在变频控制PCB上的评价(3.5.2)和DIPIPM™在整机上的评价(3.5.3)。

DIPIPM™工作时其电源通常为15V,由于采用了自举电路,其上桥臂的三路15V电源可以通过自举电路来实现。电源的稳定性对于DIPIPM™的稳定运行至关重要。因此需要对PCB上15V电源的稳定性进行评价。除了需要稳定的15V电源外,PCB还要为DIPIPM™提供稳定的PWM驱动信号,PWM驱动信号的质量也会直接影响DIPIPM™的工作,PWM驱动信号的评价也是评价的重点之一。下表1是以SLIMDIP-L为例的DIPIPM™有关15V电源和PWM控制信号的规格要求。在实际PCB上SLIMDIP-L的电源和PWM驱动信号应满足表1的规格要求。

表1 SLIMDIP-L电源及PWM信号规格
DIPIPM™ 15V电源测试评价
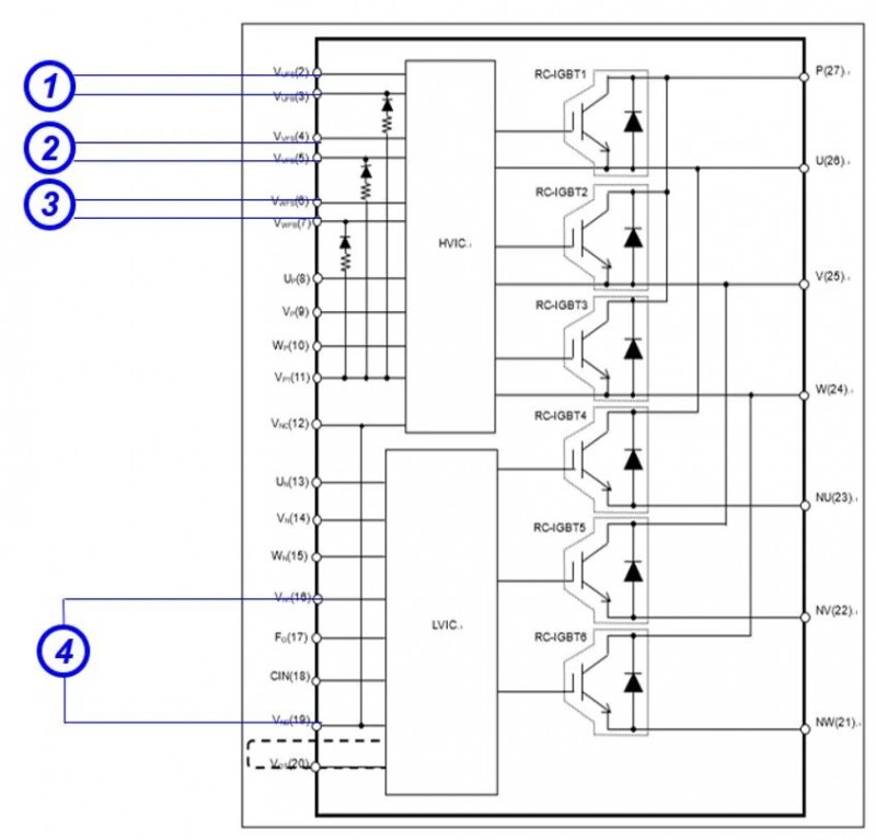
下图2是以SLIMDIP-L为例的电路结构图,其中位置①、②、③是DIPIPM™上桥臂的15V电源,位置④为下桥臂15V电源。测试评价时,需要采用示波器对4路15V电源分别进行测试评价。下表2是以变频空调应用为例对SLIMDIP-L DIPIPM™电源进行评价的评价方法和标准。图3是在系统启动过程中的自举15V电源测试波形的例子。

图2 SLIMDIP-L电源结构图

表2 SLIMDIP-L电源评价方法及标准

DIPIPM™ PWM驱动信号测试评价
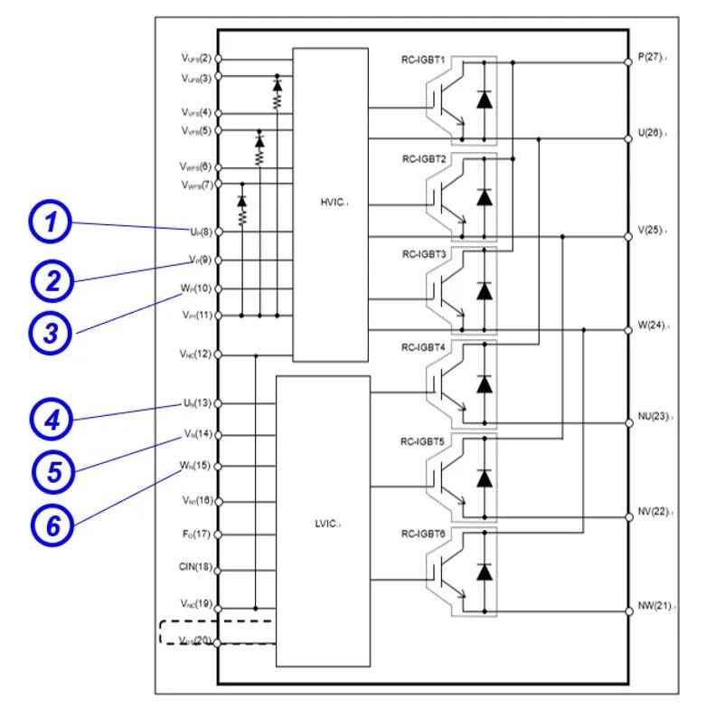
下图4是以SLIMDIP-L为例的电路结构图,其中位置①、②、③是DIPIPM™上桥臂PWM驱动信号的测量评价位置,④、⑤、⑥是DIPIPM™下桥臂PWM驱动信号的测量评价位置,下表3是以变频空调应用为例对SLIMDIP-L PWM驱动信号进行评价的评价方法和评价标准。

图4 SLIMDIP-L PWM驱动测量位置

表3 SLIMDIP-L PWM驱动评价方法及标准
DIPIPM™欠压保护功能测试评价
欠压保护是用来防止在低电源电压下DIPIPM™发生意外损坏的一种自保护功能。P侧和N侧都有欠压保护功能,但是故障信号(Fo)仅对N侧的欠压保护才有输出,且在欠压状态下会持续有Fo输出。另外,欠压保护电路内置了一个噪声滤波器(典型值10μs)以防止瞬间欠压导致的误触发。因此,在发生欠压后的最初10μs内控制信号依然有效。下图5是以SLIMDIP-L为例的DIPIPM™欠压保护时序图。下表4是欠压保护评价方法及标准。

图5 SLIMDIP-L欠压保护动作时序(N侧)

表4 SLIMDIP-L 欠压保护功能评价方法及标准
















